3TF3001-0A
In stock, can ship today!
717-209-7100
Call to Order 717-209-7100
Same Day Shipping
Siemens - 3TF3001-0A motor starters - contactor
The Siemens 3TF3001-0A is a
3-phase IEC rated contactor
used for the control of electric
motors. It is rated 3 HP at
230V and 5 HP at 460V. It comes
with 1NC contact. 01E
Conforms to IEC 60946
3TF30 01E
AC Operating Coil Voltage:
Options listed below
Other 3TF3 Contactors
Other 3TF3 Contactors
Accessories:
Overload Relays:
Replacment Parts:
View Data Sheet
3TF3001-0A 3-Pole with AC Coil
Selection Chart:
| Frame Size |
Amp ratings |
Three phase HP ratings |
Auxiliary contacts |
Coil Voltage / AC Voltage | Catalog No. | |||||
|---|---|---|---|---|---|---|---|---|---|---|
| UL/CSA | AC3 | AC1 | 230V | 460V | NO | NC | 50Hz | 60Hz | ||
| S0 | 18 | 9 | 22 | 3 | 5 | 0 | 1 | 24V | 24V | 3TF3001-0AC2 |
| 110V | 120V | 3TF3001-0AK6 | ||||||||
| 220V | 240V | 3TF3001-0AP6 | ||||||||
3TF3001-0A Contact Sequence

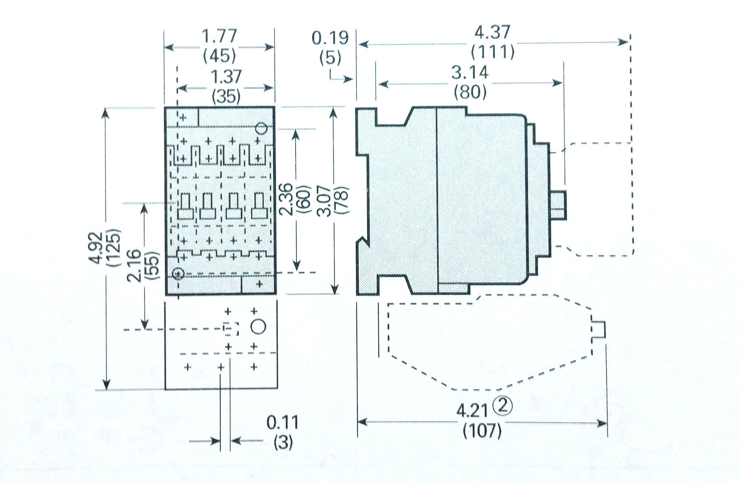
3TF3001-0A Dimensions
